Photoconductive emitter/detector antenna for 800nm wavelength lasers
Overview
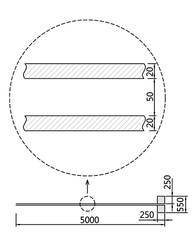
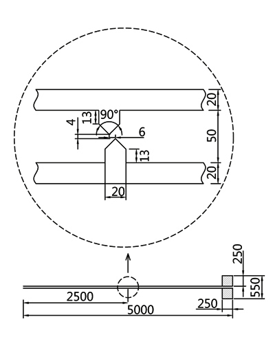
THz emitter/detector consists of a micro strip antenna integrated with photoconductor. Low temperature grown GaAs (LT-GaAs) is used as photoconductor. Total GaAs substrate thickness is about 350 µm, dimensions of single antenna substrate is 1.5x5 mm. Antenna is formed using AuGeNi metallization. Two types of emitter antenna is available (Fig. 1 and Fig. 2).
